В ближайшее время наш специалист ответит Вам на электронную почту.
ВНИМАНИЕ! В связи с приостановлением отгрузок поставщиками, мы не можем гарантировать отгрузку Ваших заказов в сроки, указанных на нашем сайте, а также из-за изменения курса валют возможна корректировка цен, заказанных Вами товаров и запчастей. Просим Вас отнестись с пониманием к рыночной ситуации и учитывать её при оформлении заказов!
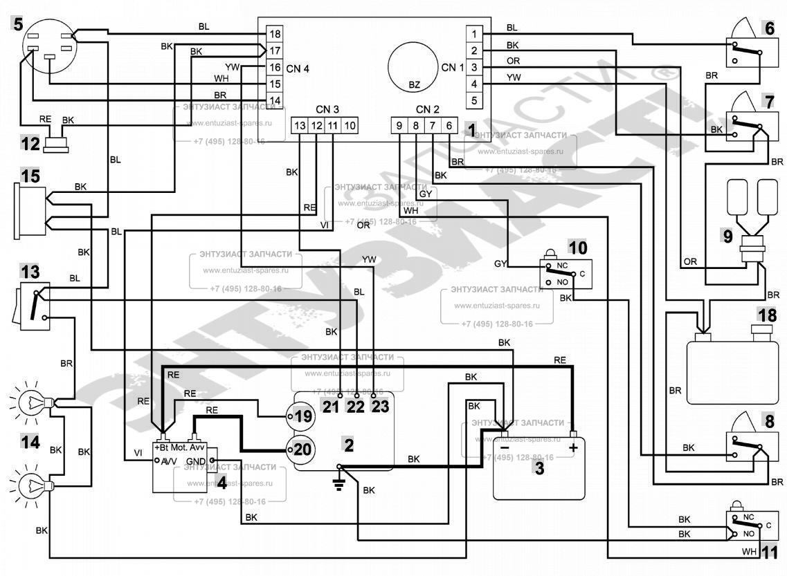
ЗАПЧАСТИ ДЛЯ ТРАКТОРА САДОВОГО БЕНЗИНОВОГО VIKING MT 790 (СХЕМА ЭЛЕКТРИЧЕСКАЯ)
назад
На схеме найдите необходимые запасные части. Под схемой расположен список запасных частей
с указанием заказного артикула и цены. Для дальнейшего оформления заказа Вам необходимо
добавить запчасть в корзину и оформить заказ.